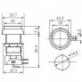
Especificações Técnicas
| Tipo do Contato | NA |
|---|---|
| Tipo da Trava | Sem Trava (estilo campainha) |
| Tensão Máxima | 250V |
| Corrente Máxima | 15A |
| Quantidade de Polos | 1 |
| Quantidade de Posições | 2 |
| Tipo da Luz | Sem Luz |
| Ângulo | 180° |
| Cor | Amarelo |
Detalhes do Produto
A chave PBS29 é um botão NA grande e robusta, ideal para diversas aplicações, como industriais e fliperama.
Documentação



